皮山县人民政府
政府信息公开
政策文件
政策法规
规范性文件
国务院文件
自治区文件
皮山县本地文件
政府信息公开指南
政府信息公开制度
法定主动公开内容
政府信息公开年报
2025年
2024年
2023年
2022年
2021年
网站工作报表
依申请公开
索引号:
010435649/2024-00006
发文字号:
发布机构:
皮山县人民政府办公室
成文日期:
主题分类:
有
效
性:
标
题:
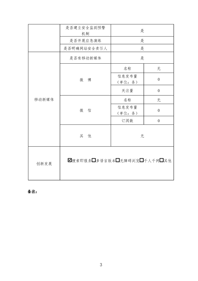
政府网站工作年度报表(2023年度)
内容概述:
政府网站工作年度报表(2023年度)
发布时间: 2024-01-05 【字体:
大
中
小
】
附件下载:
相关链接:
国务院部门网站
人民网
新华网
中国政府网
省级政府网站
新疆维吾尔自治区人民政府网
市级政府网站
和田政府网
县级政府网站
策勒县人民政府
洛浦县人民政府
墨玉县人民政府网
和田市人民政府网
民丰县政府门户网站
于田县人民政府网
和田县人民政府网
其他网站
安徽援疆网
党建网
天山网
手机版
TOP
政务公开